发表时间: 2025-09-26 16:23:11
作者: 石油化工设备维护与检修网
浏览: 792
各类阀门适用范围
节选自《化工管路设计手册》8.1.2
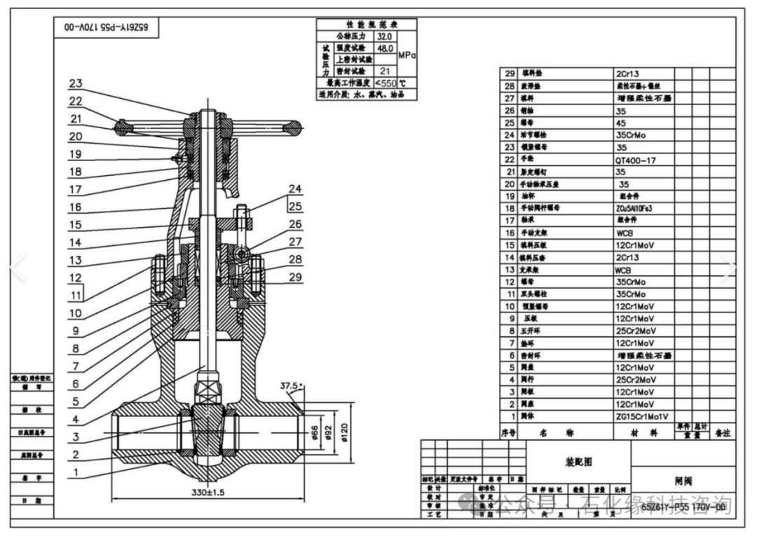
闸阀

闸阀的闸板由阀杆带动,沿阀座密封面作升降运动,可接通或截断流体的通路。与截止阀相比,闸阀流动阻力小, 启闭省力;与球阀和蝶阀相比,闸阀密封可靠性高,生产成本低。因此广泛用于各种介质管道的启闭,但当闸阀部分开启时,在闸板背面产生涡流,易引起闸板的冲蚀和振动,阀座的密封面也易损坏,故一般不作为节流用。与球阀和蝶阀相比,闸阀的开启时间较长,结构尺寸较大,故不宜用在直径较大的情况。
适用范围如下:
① 流体流经闸阀时不改变流向, 当闸阀全开时阻力系数几乎是所有阀门中最小的, 而且适用的口径范围、 压力温度范围都很宽; 与同口径的截止阀相比安装尺寸较小, 是化工生产装置中用得最多的一种类型。
② 闸阀手柄分明杆、 暗杆两种: 明杆闸阀用于两套以上相同设备的交替切换时特别有利,其明杆可明显 标示出阀门的开关情况。
③ 当闸阀半开时,阀芯易产生振动, 所以闸阀只适用于全开或全闭的情况,不适于需要调节流量的场合。
④ 闸阀阀体内有刻槽,所以不适用于含固体微粒的流体,带吹气口的闸阀可适用于这种情况。
截止阀

截止阀和节流阀都是向下闭合式阀门,阀瓣由阀杆带动,沿阀座中心线做升降运动。截止阀与节流阀结构基本相同,只是阀瓣形状有所不同,截止阀的阀瓣是盘形;节流阀的阀瓣多为圆锥形,可以改变流道截面积,以调节流量和压力。
适用范围如下:
① 截止阀是化工装置广泛应用的阀型, 它的密封性能可靠,也适于调节流量,一般多装在泵出口、调节 阀旁路流量计上游等需调节流量之处。
② 流体流经阀芯时改变流向,因而压力降大,同时易在阀座上沉积固形物, 故不适用于悬浮液。
③ 截止阀与同口径的闸阀相比,体积较大,因而限制了它的最大口径 (最大 DN150~DN200) 。
④ Y 形截止阀和角式截止阀与普通直通阀相比,压力降较小,且角式阀兼有改变流向功能。
⑤ 针形阀也是截止阀的一种,其阀芯为锥形,可用于小流量微调或用作取样阀。
旋塞/柱塞阀/球阀

旋塞阀的结构简单,开关迅速,操作方便,流体阻力小,零部件少,重量轻,无滞留流体的阀腔。适用于温度较低、黏度较大的介质和要求开关迅速的部位,一般不适用于蒸汽和温度较高的介质。

球阀的阀瓣为一中间有通道的球体,球体绕自身轴线作90°旋转,达到启闭目的。与闸阀、截止阀相比,球阀有快速启闭的特点,流动阻力最小。根据球体结构不同,可分为浮动球和固定球两种,根据阀座密封结构 不同,球阀有软密封和硬密封两种。
使用软密封的球阀, 其阀门的工作温度和允许工作压力相应关系不仅是其相应法兰系列的压力-温度限值, 尚需注意软密封填料的温度-压力额定值。 对可燃、易爆介质用软密封球阀,要求具有火灾安全结构和防静电 结构,并获得符合相应标准的火灾安全试验证书。
适用范围如下:
① 三者功能相似, 都是可以迅速启闭的阀门,阀芯有横向开孔,液体直流通过,压力降小,适用于悬浮 液或黏稠液;阀芯又可做成 L 形或 T 形通道而成为三通、四通阀; 外形规整,易于作成夹套阀用于需保温的情况,这几类阀可较方便地制成气动或电动阀进行遥控。
② 三者的不同在于柱塞阀, 球阀的工作压力略高。
蝶阀

蝶阀与相同公称压力等级的平行式闸阀比较,其尺寸小、重量轻、开关迅速、具有一定的调节功能,适合制成较大口径和压力较低的阀门。由于有一定的调节功能,特别适用于大流量调节, 使用温度受密封材料的限制。
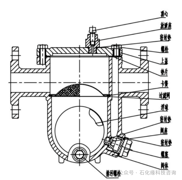
止回阀

止回阀用于自动防止管道内的流体逆向流动,介质顺流时阀瓣自动开启,逆流时阀瓣自动关闭。根据结构不同, 止回阀可分为升降式止回阀、 旋启式止回阀、 斜盘式止回阀和双板式止回阀等四种。
一般升降式止回阀应安装在水平管道上, 除非阀门带有合适的复位机构。旋启式止回阀应优先安装在水平 管道上, 当安装在垂直管道上时, 流体必须是由下向上流动。 装止回阀时,应注意介质流动方向与止回阀阀 体上的箭头方向一致。
止回阀适用范围如下:
① 止回阀是用以防止流体逆向流动的阀, 用于防止由于流体倒流造成的污染、 温升或机械损坏。
② 常用的有旋启式、 升降式和球式三类, 旋启式直径比后两种较大, 可安装在水平管或垂直管上, 安装 在垂直管上时流体应自下而上流动; 升降式和球式口径较小, 且只能安装在水平管路上。
③ 止回阀只能用以防止突然倒流但密封性能欠佳, 因此对严格禁止混合的物料,还应采取其它措施。
④ 离心泵进口为吸上状态时,为保持泵内液体在进口管端装设的底阀也是一种止回阀;当容器为敞口时, 底阀可带滤网。
隔膜阀及管夹阀


隔膜阀的启闭件是一块橡胶隔膜,夹于阀体与阀盖之间。 隔膜中间突出部分固定在阀杆上,阀体内衬有橡胶, 由于介质不进入阀盖内腔,因此无需填料箱。
隔膜阀结构简单,密封性能好,便于维修 流体阻力小,适用于温度小于200℃ 、压力小于1.0MPa 的油 品、水、酸性介质和含悬浮物的介质。 不适用于有机溶剂和强氧化剂的介质。
适用范围:
这两种阀在使用时, 流体只与隔膜或软管接触而不触及阀体其它部位, 特别适用于腐蚀性流体 或黏稠液、 悬浮液等, 但使用范围受隔膜或软管的材质所限。
疏水阀
在压力管道设计中, 疏水阀型式分为机械型、 热静力和热动力型, 常用的疏水阀有倒吊桶式疏水阀、 杠杆浮球式疏水阀、 自由浮球式疏水阀、 双金属式疏水阀和圆盘式疏水阀等。
倒吊桶式、 杠杆浮球式及自由浮球式等三种疏水阀属于机械型疏水阀, 此种疏水阀主要利用蒸汽和凝结水 的密度差, 使其产生的浮力不同, 使浮子升降从而启闭阀门, 此类疏水阀具有排除空气能力强、 排液能力大等特点, 适用于蒸汽用量大的加热设备的疏水, 应安装在水平管道上。

双金属式疏水阀属热静力型疏水阀。 疏水阀的感温体是双金属圆板, 根据凝结水的温度变化使金属圆板呈 凸或凹形弯曲, 以此启闭疏水阀。 此种疏水阀排量大, 体积小, 动作噪声小, 多用于蒸汽伴热管道的疏水。

圆盘式疏水阀属于热动力型疏水阀, 它是利用蒸汽和凝结水的温度不同, 使变压室内的压力发生变化, 从 而开启疏水阀。 此种疏水阀结构简单、 体积小、 维修简单, 但空气流入后不能动作。 动作噪声大、 背压允许度低、 不能在低压 (0.03MPa 以下) 使用, 蒸汽有泄漏, 不适用于大排量; 一般安装在水平管道上。

来源:管道备忘录